メインスペック
| 項目 | 内容 | |
|---|---|---|
| 定格トルク(N・m)(注3) | 25 | |
| 瞬時最大トルク(N・m) | 75 | |
| 速度/加減速度 (注4) | 定格速度(度/s) | 800 |
| 最高速度(度/s) | 1440 | |
| 最高加速減度(G) | 9.99 | |
| クリーンルーム仕様 | バキューム量(NL/min) | 35 |
| 動作範囲 | インデックスタイプ(度) | 0~359.99 |
| 多回転アブソタイプ(度)(注5) | ±9999 | |
(注3) 弊社定格放熱板に取付け時の特性です。詳細は1-318ページをご参照ください。
(注4) 1G≒9807度/s2
(注5) SCON(2)と高分解能タイプ(20bit)を接続した場合は±2520となります。
| 項目 | 内容 | |
|---|---|---|
| 駆動方式 | ダイレクトドライブ | |
| 繰返し位置決め精度 | 17bit | ±19.8秒(±0.0055度) |
| 20bit | ±3.7秒(±0.00103度) | |
| 割出し精度(注6) | 17bit | ±45秒(±0.01249度) |
| 20bit | ±30秒(±0.00833度) | |
| 原点復帰方式 | エンコーダー原点検出方式 | |
| 原点復帰精度 | 17bit | ±19.8秒(±0.0055度) |
| 20bit | ±3.7秒(±0.00103度) | |
| ロストモーション | 17bit | 39.6秒(0.011度)以下 |
| 20bit | 7.4秒(0.00206度)以下 | |
| 許容スラスト荷重 | 正方向 | 3100N |
| 逆方向 | 250N | |
| 許容負荷モーメント | 80N・m | |
| ロータイナーシャ | 0.0092kg・m2 | |
| 許容慣性モーメント | 1.8kg・m2 | |
| ラジアル回転振れ | 0.03mm | |
| スラスト回転振れ | 0.03mm | |
| ベース材質 | アルミ 側面塗装 | |
| クリーン度 | クラス10(0.1μm、Fed.Std.209D)、 クラス2.5相当(ISO 14644-1規格) | |
| 使用周囲温度・湿度 | 0~40℃、20~85%RH以下(結露なきこと) | |
| 保護等級 | IP40 | |
| 耐振動・耐衝撃 | 4.9m/s2 | |
| 海外対応規格 | CEマーク、RoHS指令 | |
| モーター出力 | 600W | |
| エンコーダー種類 | アブソリュート | |
| エンコーダーパルス数 | 17bit | 131,072 pulse/rev |
| 20bit | 1,048,576 pulse/rev | |
| 納期 | ホームページ[納期照会]に記載 | |
(注6) 割出し精度はSCON(2)/RCON-SCと接続した場合に対応します。
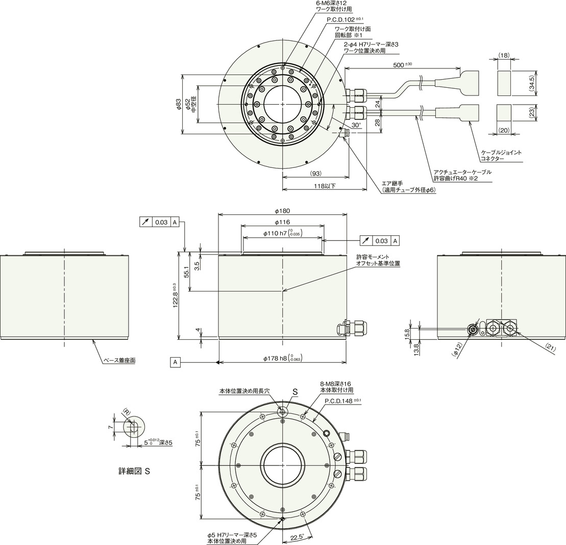
ロータリータイプモーメント方向と出力軸の振れ

適応コントローラー
本ページのアクチュエーターは下記のコントローラーで動作が可能です。ご使用になる用途に応じたタイプをご選択ください。
| 名称 | 外観 | 最大接続 可能軸数 | 電源電圧 | 制御方法 | 最大位置決め点数 | |||||||||||||||
|---|---|---|---|---|---|---|---|---|---|---|---|---|---|---|---|---|---|---|---|---|
| ポジショナー | パルス列 | プログラム | ネットワーク ※選択 | |||||||||||||||||
| DV | CC | CIE | CIT | PR | CN | ML | ML3 | EC | EP | PRT | SSN | ECM | ||||||||
| RCON | ![]() | 16 (ML3,SSN,ECMは8) | DC24V 三相AC200V | - | - | - | ● | ● | ● | ● | ● | - | - | ● | ● | ● | ● | ● | ● | 128 (ML3,SSN,ECMはポジションデータなし) |
| RSEL | ![]() | 8 | - | - | ● | ● | ● | ● | - | ● | - | - | - | ● | ● | ● | - | - | 36000 | |
| SCON-CB/CGB | ![]() | 1 | 単相AC200V | ● | ● | - | ● | ● | ● | - | ● | ● | ● | ● | ● | ● | ● | - | ● | 512 (ネットワーク仕様は768) |
| SCON2-CG | ![]() | 1 | ● | ● | - | ● | ● | ● | - | - | - | - | ● | ● | ● | ● | - | - | 384 | |
| XSEL-RA/SA | ![]() | 8 | 単相AC200V 三相AC200V | - | - | ● | ● | ● | ● | - | ● | - | - | - | ● | ● | - | - | - | 55000 (タイプにより異なります) |
| XSEL2-TS/TL | ![]() | 8 | 単相AC100V 単相AC200V 三相AC200V | - | - | ● | ● | ● | ● | - | ● | - | - | - | ● | ● | ● | - | - | 36000 |
(注) DV、CCなどのネットワーク略称記号については、8-15ページをご確認ください。
(注) コントローラー選定上の注意点は6-42ページをご確認ください。
(注) 多回転アブソのアクチュエーターは、RCON-SCに接続できません。R-unit(RCON/RSEL)と接続するには、拡張ユニット(RCON-EXT)とSCONもしくはSCON2が別途必要です。
(注) モーションネットワーク仕様のEC、ML3、SSN、ECMは回転軸インデックスモードは使用できません。
(注) SCON2のML3とECは、コントローラー型式の機能オプションなしの場合はリモートI/O仕様となり、機能オプションに「M」が選択された場合はモーションネットワーク仕様となります。
海外規格
選定上の注意
| (1)定格回転数で1日8時間動作し、衝撃のない円滑な運転の場合で寿命が5年となる負荷です。 (2)パルス列制御時とMECHATROLINK-Ⅲ/EtherCATモーション/SSCNET制御時は、インデックスアブソタイプを使用できません。 (3)インデックスアブソタイプでXSEL(2)を使用する場合は、近回り制御しかできませんのでご注意ください。 (4)取付け姿勢によっては注意が必要です。詳細は1-318ページをご参照ください。 (5)最適な運転を行うため、初回立上げ時は積載する負荷イナーシャに応じたゲインパラメーターの調整が必要です。詳細はDDACRの取扱説明書(MJ3756)をご参照ください。 (6)選定方法は7-65ページをご覧ください。 (7)動作タイプや回生抵抗必要数、最大接続軸数などの注意事項があります。詳細は6-42をご参照ください。 |
寸法図
ケーブル側面取出し(オプション記号A1)
※1 ワーク取付け面回転部の上面図での位置が原点位置となります。原点位置には、合いマークとして原点位置マークシールが貼付されています。
※2 アクチュエーターケーブルはロボットケーブルです。

質量
| 項目 | 内容 |
|---|---|
| 質量 | 13kg |
ケーブル下側取出し(オプション記号A0)
※1 アクチュエーターケーブルはロボットケーブルです。

原点復帰方法と正回転方向

回転部上面から見て、時計方向の回転が+方向となります。
原点復帰動作は時計方向に回転します。
原点位置を検出し、停止します。
コントローラー別 動作タイプの特徴
| コントローラー種類 | SCON2・SCON | RCON | RSEL | XSEL2・XSEL-RA/SA | |||||||||||||
|---|---|---|---|---|---|---|---|---|---|---|---|---|---|---|---|---|---|
| 動作タイプ | インデックスアブソ | 多回転アブソ | インデックスアブソ | 多回転アブソ | インデックスアブソ | 多回転アブソ | インデックスアブソ | 多回転アブソ | |||||||||
| 分解能 | 標準 (17bit) | 高分解能 (20bit) | 標準 (17bit) | 高分解能 (20bit) | 標準 (17bit) | 高分解能 (20bit) | 標準 (17bit) | 高分解能 (20bit) | 標準 (17bit) | 高分解能 (20bit) | 標準 (17bit) | 高分解能 (20bit) | 標準 (17bit) | 高分解能 (20bit) | 標準 (17bit) | 高分解能 (20bit) | |
| 最大動作範囲 | 0~359.999度 | ±9999度 | ±2520度 | 0~359.999度 | ― | 0~359.999度 | ― | 0~359.999度 | ±9999度 | ||||||||
| 1回の移動命令の 最大移動量 | 360度 | 上記動作範囲内 | 360度 | ― | 360度 | ― | 180度(注8) | 上記動作範囲内 | |||||||||
| 無限回転動作(注7) | 可 | 不可 | 可 | ― | 可 | ― | 可(注9) | 不可 | |||||||||
| 初回動作時・バッテリー 交換後の原点復帰 | 不要 | 必要 | 不要 | ― | 不要 | ― | 不要 | 必要 | |||||||||
| アブソリュートバッテリー | 不要 | 必要 | 不要 | ― | 不要 | ― | 不要 | 必要 | |||||||||
| パルス列制御 | 不可 | 可 | 不可 | ― | 不可 | ― | 不可 | ||||||||||
| モーションネットワーク対応 | 不可 | 可 | 不可 | ― | 不可 | ― | 不可 | ||||||||||
| 補間動作 | 不可 | 不可 | ― | 可 | ― | 可 | |||||||||||
| シンクロ動作 | 不可 | 不可 | ― | 不可 | ― | 不可 | 可 | ||||||||||
本製品は接続するコントローラーによって対応可能な動作タイプや分解能が異なります。それぞれのコントローラーで対応可能な内容をご確認のうえご使用ください。
(注7) 無限回転動作の詳細は7-64をご参照ください。
(注8) XSEL(2)のインデックスアブソタイプは、現在位置から180度以上移動する場合、移動量の少ない方向に回転して目標位置に移動します。よって現在位置および移動量によって回転方向が変化しますのでご注意ください。
(注9) インデックスアブソタイプは、同一方向に無限に回転することができますが、XSEL(2)の1回の移動量は最大180度ですので、モーターのように停止しないで同一方向に連続で回転することはできません。
移動時間の目安
| 負荷イナーシャ下限(kg・m2) | 0 | 0.005 | 0.01 | 0.02 | 0.02 | 0.03 | 0.04 | 0.06 | 0.08 | 0.1 | 0.15 | 0.2 | 0.3 | 0.4 | 0.6 | 0.8 | 1 | 1.2 | 1.4 |
| 負荷イナーシャ上限(kg・m2) | 0.005 | 0.01 | 0.015 | 0.02 | 0.03 | 0.04 | 0.06 | 0.08 | 0.1 | 0.15 | 0.2 | 0.3 | 0.4 | 0.6 | 0.8 | 1 | 1.2 | 1.4 | 1.8 |
| 45度移動時間(s) | 0.098 | 0.096 | 0.096 | 0.097 | 0.099 | 0.104 | 0.113 | 0.12 | 0.126 | 0.14 | 0.157 | 0.207 | 0.257 | 0.352 | 0.447 | 0.53 | 0.629 | 0.795 | 0.875 |
| 90度移動時間(s) | 0.129 | 0.128 | 0.127 | 0.128 | 0.131 | 0.136 | 0.144 | 0.153 | 0.163 | 0.184 | 0.208 | 0.268 | 0.329 | 0.44 | 0.549 | 0.646 | 0.758 | 0.941 | 1.035 |
| 180度移動時間(s) | 0.192 | 0.19 | 0.19 | 0.191 | 0.193 | 0.199 | 0.207 | 0.215 | 0.225 | 0.249 | 0.279 | 0.354 | 0.428 | 0.562 | 0.692 | 0.806 | 0.933 | 1.133 | 1.257 |
| 270度移動時間(s) | 0.254 | 0.252 | 0.252 | 0.253 | 0.256 | 0.262 | 0.27 | 0.278 | 0.288 | 0.312 | 0.341 | 0.42 | 0.504 | 0.655 | 0.8 | 0.925 | 1.064 | 1.274 | 1.415 |
移動時間は負荷イナーシャによって変化します。下記表から移動時間の目安をご確認ください。
(注) 表の数字は目安ですので、移動時間を保証するものではありません。
(注) 表の時間は移動命令を受けてから、位置決め幅0.028度(約100角度秒)に収束するまでの時間です。(速度:最高速度、加減速度:負荷イナーシャによる推奨加減速度、負荷:各負荷イナーシャの下限)















