メインスペック
| 項目 | 内容 | ||
|---|---|---|---|
| リード | ボールねじリード(mm) | 10 | |
| 水平 | 可搬質量 | 最大可搬質量(kg) | 400 |
| 速度/加減速度 | 最高速度(mm/s) | 500 | |
| 定格加減速度(G) | 0.3 | ||
| 最高加減速度(G) | 0.7 | ||
| 推力 | 定格推力(N) | 1276 | |
| クリーンルーム仕様 | 吸引量(NL/min)(注4) | 25 | |
| ブレーキ | ブレーキ仕様 | 無励磁作動電磁ブレーキ | |
| ブレーキ保持力(kgf) | 80 | ||
| ストローク | 最小ストローク(mm) | 100 | |
| 最大ストローク(mm) | 1600 | ||
| ストロークピッチ(mm) | 50 | ||
(注4) 最高速度時における吸引量の目安です。
| 項目 | 内容 |
|---|---|
| 駆動方式 | ボールねじ φ20mm 転造C5相当 |
| 繰返し位置決め精度 | ±0.01mm |
| ロストモーション | 0.1mm以下 |
| ベース | 専用アルミ押出材(A6063SS-T6相当) 黒色アルマイト処理 |
| リニアガイド | 直動無限循環型 |
| 静的許容モーメント | Ma : 1030 N・m |
| Mb : 1030 N・m | |
| Mc : 2510 N・m | |
| 動的許容モーメント (注5) | Ma : 214 N・m |
| Mb : 214 N・m | |
| Mc : 520 N・m | |
| クリーン度 | ISOクラス2.5(ISO 14644-1規格) |
| 使用周囲温度・湿度 | 0~40℃、85%RH以下(結露なきこと) |
| 保護等級 | IP20 |
| 耐振動・耐衝撃 | 4.9m/s2 |
| 海外対応規格 | CEマーク、RoHS指令 |
| モーター種類 | ACサーボモーター(200V) |
| モーター定格容量 | 750W |
| エンコーダー種類 | バッテリーレスアブソリュート |
| エンコーダーパルス数 | 16384 pulse/rev |
| 納期 | ホームページ[納期照会]に記載 |
(注5) 基準定格寿命10,000kmの場合です。走行寿命は運転条件、取付け状態によって異なります。総合カタログ2025・1-280ページにて走行寿命をご確認ください。
スライダータイプモーメント方向

速度・加速度別可搬質量表
可搬質量の単位はkgです。
| 姿勢 | 水平 | |||
|---|---|---|---|---|
| 速度 | 加速度(G) | |||
| (mm/s) | 0.3 | 0.5 | 0.7 | 1.0 |
| 0 | 400 | 265 | 160 | 95 |
| 500 | 400 | 265 | 160 | 95 |
ストロークと最高速度
(単位はmm/s)
|
ストローク リード(mm) | 100~750 | 800 | 850 | 900 | 950 | 1000 | 1050 | 1100 | 1150 | 1200 | 1250 | 1300 | 1350 | 1400 | 1450 | 1500 | 1550 | 1600 |
|---|---|---|---|---|---|---|---|---|---|---|---|---|---|---|---|---|---|---|
| (50mmごと) | (mm) | (mm) | (mm) | (mm) | (mm) | (mm) | (mm) | (mm) | (mm) | (mm) | (mm) | (mm) | (mm) | (mm) | (mm) | (mm) | (mm) | |
| 10 | 500 | 453 | 410 | 373 | 341 | 313 | 288 | 266 | 246 | 229 | 213 | 199 | 186 | 175 | 164 | 155 | 146 | 138 |
適応コントローラー
(注) ECシリーズはコントローラー内蔵です。内蔵コントローラーの詳細は、総合カタログ2025・2-857ページをご確認ください。
また、200Vで駆動するエレシリンダーについては、専用のモーター駆動用DC電源「PSA-200」が必要です。「PSA-200」の詳細については総合カタログ2025・2-861ページをご確認ください。
海外規格
選定上の注意
| (1)ストロークが長くなると、ボールねじの危険回転数の関係から最高速度が低下します。「ストロークと最高速度」にて希望するストロークの最高速度をご確認ください。 (2)「メインスペック」の可搬質量は最大値を表記しています。詳細は「速度・加速度別可搬質量表」をご参照ください。 (3)押付け動作を行うことはできません。 (4)動作させるにはモーター駆動用DC電源「PSA-200」が必要です。詳細は総合カタログ2025・2-861ページをご確認ください。 (5)動作条件(搬送質量、加減速度)によって使用可能なデューティー比の目安は変化します。詳細は総合カタログ2025・1-336ページをご参照ください。 (6)取付け姿勢によっては注意が必要です。詳細は総合カタログ2025・1-313ページをご確認ください。 (7)張出し負荷長の目安は、Ma・Mb・Mc方向900mm以下です。張出し負荷長については総合カタログ2025・2-117ページの説明をご確認ください。 (8)取付け物体の重心位置は、張出し距離の1/2以下としてください。張出し距離や負荷モーメントが許容値内であっても、動作中に異常な振動や音などが発生する場合は、動作条件を緩めてご使用ください。 (9)e-ワイヤリングシステムとの接続方法は、カタログ『e-ワイヤリングシステム/現場置き電源(CJ0429)』の3ページをご参照ください。 |
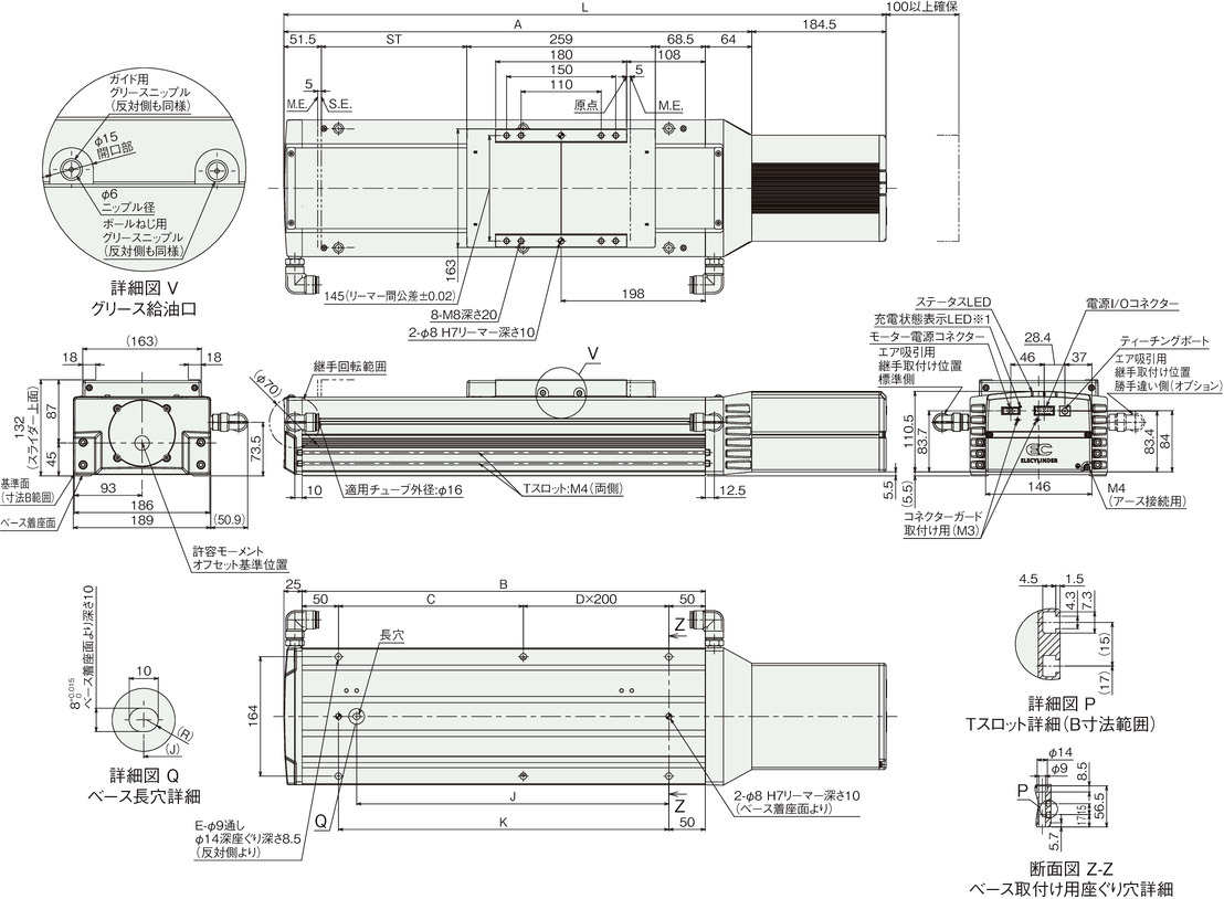
寸法図
ST:ストローク
M.E.:メカニカルエンド
S.E.:ストロークエンド
※1 充電状態表示LED点灯中は、コントローラー内部に充電された状態です。感電防止のため、配線・点検作業は電源遮断後にLEDが消灯していることを確認してから行ってください。
(注) 原点復帰を行った場合は、スライダーがM.E.まで移動しますので周囲との干渉にご注意ください。

ストローク別寸法
| ストローク | 100 | 150 | 200 | 250 | 300 | 350 | 400 | 450 | 500 | 550 | 600 | 650 | 700 | 750 | 800 | 850 |
|---|---|---|---|---|---|---|---|---|---|---|---|---|---|---|---|---|
| L | 727.5 | 777.5 | 827.5 | 877.5 | 927.5 | 977.5 | 1027.5 | 1077.5 | 1127.5 | 1177.5 | 1227.5 | 1277.5 | 1327.5 | 1377.5 | 1427.5 | 1477.5 |
| A | 543 | 593 | 643 | 693 | 743 | 793 | 843 | 893 | 943 | 993 | 1043 | 1093 | 1143 | 1193 | 1243 | 1293 |
| B | 454 | 504 | 554 | 604 | 654 | 704 | 754 | 804 | 854 | 904 | 954 | 1004 | 1054 | 1104 | 1154 | 1204 |
| C | 354 | 204 | 254 | 104 | 154 | 204 | 254 | 104 | 154 | 204 | 254 | 104 | 154 | 204 | 254 | 104 |
| D | 0 | 204 | 1 | 2 | 2 | 2 | 2 | 3 | 3 | 3 | 3 | 4 | 4 | 4 | 4 | 5 |
| E | 4 | 204 | 6 | 8 | 8 | 8 | 8 | 10 | 10 | 10 | 10 | 12 | 12 | 12 | 12 | 14 |
| J | 329 | 204 | 429 | 479 | 529 | 579 | 629 | 679 | 729 | 779 | 829 | 879 | 929 | 979 | 1029 | 1079 |
| K | 354 | 204 | 454 | 504 | 554 | 604 | 654 | 704 | 754 | 804 | 854 | 904 | 954 | 1004 | 1054 | 1104 |
ストローク別寸法
| ストローク | 900 | 950 | 1000 | 1050 | 1100 | 1150 | 1200 | 1250 | 1300 | 1350 | 1400 | 1450 | 1500 | 1550 | 1600 |
|---|---|---|---|---|---|---|---|---|---|---|---|---|---|---|---|
| L | 1527.5 | 1577.5 | 1627.5 | 1677.5 | 1727.5 | 1777.5 | 1827.5 | 1877.5 | 1927.5 | 1977.5 | 2027.5 | 2077.5 | 2127.5 | 2177.5 | 2227.5 |
| A | 1343 | 1393 | 1443 | 1493 | 1543 | 1593 | 1643 | 1693 | 1743 | 1793 | 1843 | 1893 | 1943 | 1993 | 2043 |
| B | 1254 | 1304 | 1354 | 1404 | 1454 | 1504 | 1554 | 1604 | 1654 | 1704 | 1754 | 1804 | 1854 | 1904 | 1954 |
| C | 154 | 204 | 254 | 104 | 154 | 204 | 254 | 104 | 154 | 204 | 254 | 104 | 154 | 204 | 254 |
| D | 5 | 5 | 5 | 6 | 6 | 6 | 6 | 7 | 7 | 7 | 7 | 8 | 8 | 8 | 8 |
| E | 14 | 14 | 14 | 16 | 16 | 16 | 16 | 18 | 18 | 18 | 18 | 20 | 20 | 20 | 20 |
| J | 1129 | 1179 | 1229 | 1279 | 1329 | 1379 | 1429 | 1479 | 1529 | 1579 | 1629 | 1679 | 1729 | 1779 | 1829 |
| K | 1154 | 1204 | 1254 | 1304 | 1354 | 1404 | 1454 | 1504 | 1554 | 1604 | 1654 | 1704 | 1754 | 1804 | 1854 |
ストローク別質量
| ストローク | 100 | 150 | 200 | 250 | 300 | 350 | 400 | 450 | 500 | 550 | 600 | 650 | 700 | 750 | 800 | 850 | |
|---|---|---|---|---|---|---|---|---|---|---|---|---|---|---|---|---|---|
| 質量 (kg) | ブレーキ 無し | 18.8 | 19.5 | 20.3 | 21.1 | 21.8 | 22.6 | 23.4 | 24.2 | 24.9 | 25.7 | 26.5 | 27.2 | 28.0 | 28.8 | 29.5 | 30.3 |
| ブレーキ 有り | 19.4 | 20.1 | 20.9 | 21.7 | 22.4 | 23.2 | 24.0 | 24.7 | 25.5 | 26.3 | 27.0 | 27.8 | 28.6 | 29.3 | 30.1 | 30.9 | |
ストローク別質量
| ストローク | 900 | 950 | 1000 | 1050 | 1100 | 1150 | 1200 | 1250 | 1300 | 1350 | 1400 | 1450 | 1500 | 1550 | 1600 | |
|---|---|---|---|---|---|---|---|---|---|---|---|---|---|---|---|---|
| 質量 (kg) | ブレーキ 無し | 31.1 | 31.8 | 32.6 | 33.4 | 34.1 | 34.9 | 35.7 | 36.4 | 37.2 | 38.0 | 38.7 | 39.5 | 40.3 | 41.1 | 41.8 |
| ブレーキ 有り | 31.6 | 32.4 | 33.2 | 33.9 | 34.7 | 35.5 | 36.3 | 37.0 | 37.8 | 38.6 | 39.3 | 40.1 | 40.9 | 41.6 | 42.4 | |













