
(注) 上写真はモーター左折返し仕様(ML)です。
メインスペック
| 項目 | 内容 | |||||
|---|---|---|---|---|---|---|
| リード | ボールねじリード(mm) | 24 | 16 | 8 | 4 | |
| 水平 | 可搬質量 | 最大可搬質量(kg)(省電力無効) | 37 | 46 | 51 | 51 |
| 最大可搬質量(kg)(省電力有効) | 18 | 35 | 40 | 40 | ||
| 速度/加減速度 | 最高速度(mm/s) | 860 | 700 | 350 | 175 | |
| 最低速度(mm/s) | 30 | 20 | 10 | 5 | ||
| 定格加減速度(G) | 0.3 | 0.3 | 0.3 | 0.3 | ||
| 最高加減速度(G) | 1 | 1 | 1 | 1 | ||
| 垂直 | 可搬質量 | 最大可搬質量(kg)(省電力無効) | 3 | 8 | 16 | 19 |
| 最大可搬質量(kg)(省電力有効) | 2 | 5 | 10 | 15 | ||
| 速度/加減速度 | 最高速度(mm/s) | 860 | 700 | 350 | 175 | |
| 最低速度(mm/s) | 30 | 20 | 10 | 5 | ||
| 定格加減速度(G) | 0.3 | 0.3 | 0.3 | 0.3 | ||
| 最高加減速度(G) | 0.5 | 0.5 | 0.5 | 0.5 | ||
| 押付け | 押付け時最大推力(N) | 139 | 209 | 418 | 836 | |
| 押付け最高速度(mm/s) | 20 | 20 | 20 | 20 | ||
| ブレーキ | ブレーキ仕様 | 無励磁作動電磁ブレーキ | ||||
| ブレーキ保持力(kgf) | 3 | 8 | 16 | 19 | ||
| ストローク | 最小ストローク(mm) | 400 | 350 | 350 | 350 | |
| 最大ストローク(mm) | 800 | 800 | 800 | 800 | ||
| ストロークピッチ(mm) | 50 | 50 | 50 | 50 | ||
| 項目 | 内容 |
|---|---|
| 駆動方式 | ボールねじ φ12mm 転造C10 |
| 繰返し位置決め精度 | リード4/8/16:±0.02mm、リード24:±0.03mm |
| ロストモーション | 0.1mm |
| ベース | 専用アルミ押出材(A6063SS-T5相当) 黒色アルマイト処理 |
| リニアガイド | 直動無限循環型 |
| 静的許容モーメント | Ma : 79.7 N・m |
| Mb : 114 N・m | |
| Mc : 157 N・m | |
| 動的許容モーメント (注10) | Ma : 17.7 N・m |
| Mb : 25.3 N・m | |
| Mc : 34.9 N・m | |
| 使用周囲温度・湿度 | 0~40℃、85%RH以下(結露なきこと) |
| 保護等級 | IP20 |
| 耐振動・耐衝撃 | 4.9m/s2 |
| 海外対応規格 | CEマーク、RoHS指令、UL規格 |
| モーター種類 | パルスモーター(□56) (電源容量:最大4.2A) |
| エンコーダー種類 | インクリメンタル/バッテリーレスアブソリュート |
| エンコーダーパルス数 | 800 pulse/rev |
| 納期 | ホームページ[納期照会]に記載 |
(注10) 基準定格寿命5,000kmの場合です。走行寿命は運転条件、取付け状態によって異なります。1-280ページにて走行寿命をご確認ください。
スライダータイプモーメント方向

速度・加速度別可搬質量表 ※出荷時は省電力設定無効です。詳細は1-23ページをご参照ください。
省電力設定無効(パワーモード) 可搬質量の単位はkgです。空欄は動作不可となります。
| 姿勢 | 水平 | 垂直 | ||||
|---|---|---|---|---|---|---|
| 速度 (mm/s) | 加速度(G) | |||||
| 0.3 | 0.5 | 0.7 | 1 | 0.3 | 0.5 | |
| 0 | 37 | 22 | 16 | 14 | 3 | 3 |
| 200 | 37 | 22 | 16 | 14 | 3 | 3 |
| 420 | 34 | 20 | 16 | 11 | 3 | 3 |
| 640 | 18 | 13 | 9 | 7.5 | 3 | 3 |
| 860 | 9 | 6 | 4 | 2 | 1.5 | 1 |
| 姿勢 | 水平 | 垂直 | ||||
|---|---|---|---|---|---|---|
| 速度 | 加速度(G) | |||||
| (mm/s) | 0.3 | 0.5 | 0.7 | 1 | 0.3 | 0.5 |
| 0 | 46 | 35 | 28 | 27 | 8 | 8 |
| 140 | 46 | 35 | 28 | 27 | 8 | 8 |
| 280 | 46 | 35 | 25 | 24 | 8 | 8 |
| 420 | 34 | 25 | 15 | 10 | 5 | 4.5 |
| 560 | 20 | 10 | 8 | 5 | 3 | 2.5 |
| 700 | 6 | 2 | 1 | |||
(注) 「G5」オプション選択時は注意事項参照
| 姿勢 | 水平 | 垂直 | ||||
|---|---|---|---|---|---|---|
| 速度 | 加速度(G) | |||||
| (mm/s) | 0.3 | 0.5 | 0.7 | 1 | 0.3 | 0.5 |
| 0 | 51 | 45 | 40 | 40 | 16 | 16 |
| 70 | 51 | 45 | 40 | 40 | 16 | 16 |
| 140 | 51 | 40 | 38 | 35 | 16 | 16 |
| 210 | 51 | 35 | 30 | 24 | 10 | 9.5 |
| 280 | 36 | 20 | 15 | 15 | 7 | 6 |
| 350 | 13 | 3 | 2 | |||
(注) 「G5」オプション選択時は注意事項参照
| 姿勢 | 水平 | 垂直 | ||||
|---|---|---|---|---|---|---|
| 速度 (mm/s) | 加速度(G) | |||||
| 0.3 | 0.5 | 0.7 | 1 | 0.3 | 0.5 | |
| 0 | 51 | 45 | 40 | 40 | 19 | 19 |
| 35 | 51 | 45 | 40 | 40 | 19 | 19 |
| 70 | 51 | 45 | 40 | 40 | 19 | 19 |
| 105 | 51 | 45 | 40 | 35 | 19 | 19 |
| 140 | 45 | 30 | 13 | 8 | 12.5 | 12 |
| 175 | 10 | 1 | ||||
(注) 「G5」オプション選択時は注意事項参照
省電力設定有効(省エネモード) 可搬質量の単位はkgです。空欄は動作不可となります。
| 姿勢 | 水平 | 垂直 | |
|---|---|---|---|
| 速度 (mm/s) | 加速度(G) | ||
| 0.3 | 0.7 | 0.3 | |
| 0 | 18 | 10 | 2 |
| 200 | 18 | 10 | 2 |
| 420 | 18 | 10 | 2 |
| 640 | 7 | 2 | 1 |
| 800 | 1 | ||
| 姿勢 | 水平 | 垂直 | |
|---|---|---|---|
| 速度 (mm/s) | 加速度(G) | ||
| 0.3 | 0.7 | 0.3 | |
| 0 | 35 | 20 | 5 |
| 140 | 35 | 20 | 5 |
| 280 | 25 | 12 | 3 |
| 420 | 15 | 6 | 1.5 |
| 500 | 6 | 1 | 0.5 |
| 560 | 2 | ||
| 姿勢 | 水平 | 垂直 | |
|---|---|---|---|
| 速度 (mm/s) | 加速度(G) | ||
| 0.3 | 0.7 | 0.3 | |
| 0 | 40 | 25 | 10 |
| 70 | 40 | 25 | 10 |
| 140 | 40 | 25 | 7 |
| 210 | 25 | 14 | 4 |
| 280 | 2 | ||
| 姿勢 | 水平 | 垂直 | |
|---|---|---|---|
| 速度 (mm/s) | 加速度(G) | ||
| 0.3 | 0.7 | 0.3 | |
| 0 | 40 | 30 | 15 |
| 35 | 40 | 30 | 15 |
| 70 | 40 | 30 | 15 |
| 105 | 40 | 25 | 8 |
| 120 | 10 | 1 | |
<「G5」(指定グリース塗布仕様)オプション選択時の注意事項>
使用周囲温度10℃以下で使用する場合は、下記の速度以下でご使用ください。
・リード16 : 560㎜/s以下
・リード8 : 280㎜/s以下
・リード4 : 140㎜/s以下
ストロークと最高速度
(単位はmm/s)
| リード (mm) | 省電力 設定 | 350 (mm) | 400~650 (50mmごと) | 700 (mm) | 750 (mm) | 800 (mm) |
|---|---|---|---|---|---|---|
| 24 | 無効 | 860 | ||||
| 有効 | 800<640> | |||||
| 16 | 無効 | 700 | 620 | 550 | ||
| 有効 | 560<500> | 550 <500> | ||||
| 8 | 無効 | 350 | 305 | 275 | ||
| 有効 | 280<210> | 275 <210> | ||||
| 4 | 無効 | 175 | 170 | 145 | 125 | |
| 有効 | 120 | |||||
(注) < >内は垂直使用の場合です。
(注) 空欄は設定なしとなります。
押付け力と電流制限値の相関図

適応コントローラー
(注) ECシリーズはコントローラー内蔵です。内蔵コントローラーの詳細は、2-845ページをご確認ください。
海外規格
選定上の注意
| (1)ストロークが長くなると、ボールねじの危険回転数の関係から最高速度が低下します。「ストロークと最高速度」にて希望するストロークの最高速度をご確認ください。 (2)「メインスペック」の可搬質量は最大値を表記しています。省電力設定を有効にする場合は、メインスペックが変わりますので、詳細は「速度・加速度別可搬質量表」をご参照ください。 (3)押付け動作を行う場合は「押付け力と電流制限値の相関図」をご参照ください。押付け力は目安の値です。注意点は1-321ページをご確認ください。 (4) 使用周囲温度によって、デューティー比の制限が必要です。詳細は1-332ページをご参照ください。 (5)取付け姿勢によっては注意が必要です。詳細は1-313ページをご確認ください。 (6)張出し負荷長の目安は、Ma・Mb・Mc方向280mm以下(ダブルスライダー仕様時は560mm以下)です。張出し負荷長については2-117ページの説明をご確認ください。 (7)取付け物体の重心位置は、張出し距離の1/2以下としてください。張出し距離や負荷モーメントが許容値内であっても、動作中に異常な振動や音などが発生する場合は、動作条件を緩めてご使用ください。 (8)ダブルスライダー仕様選択時の手配型式、注意事項は1-299ページをご参照ください。 |
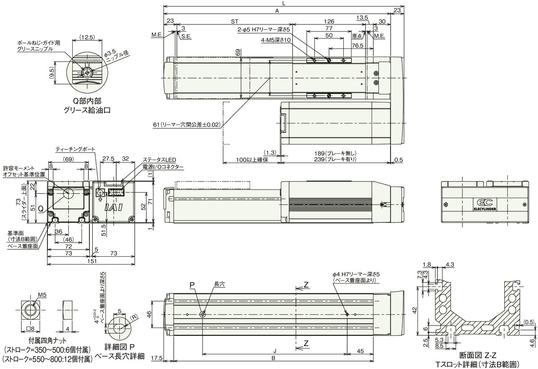
寸法図
EC-S7□AR
ST:ストローク
M.E.:メカニカルエンド
S.E.:ストロークエンド
(注) 原点復帰を行った場合は、スライダーがM.E.まで移動しますので周囲との干渉にご注意ください。
(注) 四角ナットにはナットホルダー(ストローク=350~500:6個、550~800:12個)が付属されます。
(注) 下図はモーター左折返し仕様(ML)です。

ストローク別寸法
| ストローク | 350 | 400 | 450 | 500 | 550 | 600 | 650 | 700 | 750 | 800 |
|---|---|---|---|---|---|---|---|---|---|---|
| L | 565.5 | 615.5 | 665.5 | 715.5 | 765.5 | 815.5 | 865.5 | 915.5 | 965.5 | 1015.5 |
| A | 542.5 | 592.5 | 642.5 | 692.5 | 742.5 | 792.5 | 842.5 | 892.5 | 942.5 | 992.5 |
| B | 495 | 545 | 595 | 645 | 695 | 745 | 795 | 845 | 895 | 945 |
| J | 400 | 450 | 500 | 550 | 600 | 650 | 700 | 750 | 800 | 850 |
ストローク別質量
| ストローク | 350 | 400 | 450 | 500 | 550 | 600 | 650 | 700 | 750 | 800 | |
|---|---|---|---|---|---|---|---|---|---|---|---|
| 質量 (kg) | ブレーキ無し | 5.7 | 6.0 | 6.2 | 6.5 | 6.8 | 7.1 | 7.3 | 7.6 | 7.9 | 8.2 |
| ブレーキ有り | 6.2 | 6.5 | 6.8 | 7.0 | 7.3 | 7.6 | 7.9 | 8.2 | 8.4 | 8.7 | |
EC-DS7□AR〈デジタルスピコン付き〉
ST:ストローク
M.E.:メカニカルエンド
S.E.:ストロークエンド
(注) 原点復帰を行った場合は、スライダーがM.E.まで移動しますので周囲との干渉にご注意ください。
(注) 四角ナットにはナットホルダー(ストローク=350~500:6個、550~800:12個)が付属されます。
(注) 下図はモーター左折返し仕様(ML)です。

ストローク別寸法
| ストローク | 350 | 400 | 450 | 500 | 550 | 600 | 650 | 700 | 750 | 800 |
|---|---|---|---|---|---|---|---|---|---|---|
| L | 565.5 | 615.5 | 665.5 | 715.5 | 765.5 | 815.5 | 865.5 | 915.5 | 965.5 | 1015.5 |
| A | 542.5 | 592.5 | 642.5 | 692.5 | 742.5 | 792.5 | 842.5 | 892.5 | 942.5 | 992.5 |
| B | 495 | 545 | 595 | 645 | 695 | 745 | 795 | 845 | 895 | 945 |
| J | 400 | 450 | 500 | 550 | 600 | 650 | 700 | 750 | 800 | 850 |
ストローク別質量
| ストローク | 350 | 400 | 450 | 500 | 550 | 600 | 650 | 700 | 750 | 800 | |
|---|---|---|---|---|---|---|---|---|---|---|---|
| 質量 (kg) | ブレーキ無し | 5.8 | 6.1 | 6.3 | 6.6 | 6.9 | 7.2 | 7.4 | 7.7 | 8.0 | 8.3 |
| ブレーキ有り | 6.3 | 6.6 | 6.9 | 7.1 | 7.4 | 7.7 | 8.0 | 8.3 | 8.5 | 8.8 | |
メインスペック(ダブルスライダー仕様)
| 項目 | 内容 | ||||
|---|---|---|---|---|---|
| リード | ボールねじリード(mm) | 16 | 8 | 4 | |
| 水平 | 可搬質量 | 最大可搬質量(kg)(省電力無効) | 44 | 49 | 49 |
| 最大可搬質量(kg)(省電力有効) | 33 | 38 | 38 | ||
| 速度/加減速度 | 最高速度(mm/s) | 560 | 280 | 140 | |
| 最低速度(mm/s) | 20 | 10 | 5 | ||
| 定格加減速度(G) | 0.3 | 0.3 | 0.3 | ||
| 最高加減速度(G) | 1 | 1 | 1 | ||
| 垂直 | 可搬質量 | 最大可搬質量(kg)(省電力無効) | - | 14 | 17 |
| 最大可搬質量(kg)(省電力有効) | - | 8 | 13 | ||
| 速度/加減速度 | 最高速度(mm/s) | - | 210 | 140 | |
| 最低速度(mm/s) | - | 10 | 5 | ||
| 定格加減速度(G) | - | 0.3 | 0.3 | ||
| 最高加減速度(G) | - | 0.5 | 0.5 | ||
| 押付け | 押付け時最大推力(N) | 209 | 418 | 836 | |
| 押付け最高速度(mm/s) | 20 | 20 | 20 | ||
| ブレーキ | ブレーキ仕様 | 無励磁作動電磁ブレーキ | |||
| ブレーキ保持力(kgf) | 8 | 16 | 19 | ||
| ストローク | 最小呼びストローク(mm) | 350 | 350 | 350 | |
| 最小有効ストローク(mm) | 200 | 200 | 200 | ||
| 最大呼びストローク(mm) | 800 | 800 | 800 | ||
| 最大有効ストローク(mm) | 650 | 650 | 650 | ||
| ストロークピッチ(mm) | 50 | 50 | 50 | ||
(注) 呼びストローク:型式上のストローク
有効ストローク:実際に動作可能なストローク
(注) リード16は垂直設置できません。
| 項目 | 内容 |
|---|---|
| 駆動方式 | ボールねじ φ12mm 転造C10 |
| 繰返し位置決め精度 | ±0.02mm |
| ロストモーション | 0.1mm |
| ベース | 専用アルミ押出材(A6063SS-T5相当) 黒色アルマイト処理 |
| リニアガイド | 直動無限循環型 |
| 静的許容モーメント | Ma : 441 N・m |
| Mb : 630 N・m | |
| Mc : 209 N・m | |
| 動的許容モーメント (注11) | Ma : 119 N・m |
| Mb : 171 N・m | |
| Mc : 56.7 N・m | |
| 使用周囲温度・湿度 | 0~40℃、85%RH以下(結露なきこと) |
| 保護等級 | IP20 |
| 耐振動・耐衝撃 | 4.9m/s2 |
| 海外対応規格 | CEマーク、RoHS指令、UL規格 |
| モーター種類 | パルスモーター(□56) (電源容量:最大4.2A) |
| エンコーダー種類 | インクリメンタル/バッテリーレスアブソリュート |
| エンコーダーパルス数 | 800 pulse/rev |
| 納期 | ホームページ[納期照会]に記載 |
(注11) 基準定格寿命5,000kmの場合です。走行寿命は運転条件、取付け状態によって異なります。1-280ページにて走行寿命をご確認ください。
スライダータイプモーメント方向

速度・加速度別可搬質量表(ダブルスライダー仕様) ※出荷時は省電力設定無効です。詳細は1-23ページをご参照ください。
省電力設定無効(パワーモード) 可搬質量の単位はkgです。空欄は動作不可となります。
| 姿勢 | 水平 | 垂直 | ||||
|---|---|---|---|---|---|---|
| 速度 (mm/s) | 加速度(G) | |||||
| 0.3 | 0.5 | 0.7 | 1 | 0.3 | 0.5 | |
| 0 | 44 | 33 | 26 | 25 | ||
| 140 | 44 | 33 | 26 | 25 | ||
| 280 | 44 | 32 | 22 | 20 | ||
| 420 | 22 | 15 | 8 | 6 | ||
| 560 | 5 | |||||
| 姿勢 | 水平 | 垂直 | ||||
|---|---|---|---|---|---|---|
| 速度 (mm/s) | 加速度(G) | |||||
| 0.3 | 0.5 | 0.7 | 1 | 0.3 | 0.5 | |
| 0 | 49 | 43 | 38 | 38 | 14 | 14 |
| 70 | 49 | 43 | 38 | 38 | 14 | 14 |
| 140 | 49 | 38 | 36 | 33 | 14 | 14 |
| 210 | 47 | 31 | 26 | 18 | 5 | 3.5 |
| 280 | 29 | 14 | 9 | 5.5 | ||
| 姿勢 | 水平 | 垂直 | ||||
|---|---|---|---|---|---|---|
| 速度 (mm/s) | 加速度(G) | |||||
| 0.3 | 0.5 | 0.7 | 1 | 0.3 | 0.5 | |
| 0 | 49 | 43 | 38 | 38 | 17 | 17 |
| 35 | 49 | 43 | 38 | 38 | 17 | 17 |
| 70 | 49 | 43 | 38 | 38 | 17 | 17 |
| 105 | 49 | 43 | 38 | 33 | 15 | 15 |
| 140 | 38 | 21 | 6 | 1 | 5.5 | 3 |
省電力設定有効(省エネモード) 可搬質量の単位はkgです。空欄は動作不可となります。
| 姿勢 | 水平 | 垂直 | |
|---|---|---|---|
| 速度 (mm/s) | 加速度(G) | ||
| 0.3 | 0.7 | 0.3 | |
| 0 | 33 | 18 | |
| 140 | 33 | 18 | |
| 280 | 23 | 10 | |
| 420 | 8 | 1 | |
| 姿勢 | 水平 | 垂直 | |
|---|---|---|---|
| 速度 (mm/s) | 加速度(G) | ||
| 0.3 | 0.7 | 0.3 | |
| 0 | 38 | 23 | 8 |
| 70 | 38 | 23 | 8 |
| 140 | 38 | 23 | 5 |
| 210 | 18 | 8 | |
| 姿勢 | 水平 | 垂直 | |
|---|---|---|---|
| 速度 (mm/s) | 加速度(G) | ||
| 0.3 | 0.7 | 0.3 | |
| 0 | 38 | 28 | 13 |
| 35 | 38 | 28 | 13 |
| 70 | 38 | 28 | 13 |
| 105 | 36 | 21 | 4 |
ストロークと最高速度(ダブルスライダー仕様)
(単位はmm/s)
| リード | 呼びストローク | 350~750 | 800 |
|---|---|---|---|
| 有効ストローク | 200~600 | 650 | |
| (mm) | 省電力設定 | (50mmごと) | (mm) |
| 16 | 無効 | 560 | 550 |
| 有効 | 420 | ||
| 8 | 無効 | 280 <210> | 275 <210> |
| 有効 | 210<140> | ||
| 4 | 無効 | 140 | 125 |
| 有効 | 105 | ||
(注) < >内は垂直使用の場合です。
(注) 空欄は設定なしとなります。
(注) 呼びストローク:型式上のストローク
有効ストローク:実際に動作可能なストローク
寸法図(ダブルスライダー仕様)
EC-(D)S7□AR〈ダブルスライダー仕様〉
ST:ストローク
M.E.:メカニカルエンド
S.E.:ストロークエンド
(注) 原点復帰を行った場合は、スライダーがM.E.まで移動しますので周囲との干渉にご注意ください。
(注) 四角ナットにはナットホルダー(呼びストローク=350~500:6個、550~800:12個)が付属されます。
(注) デジタルスピコン付きの場合は、モーター部の外観が異なります。詳細はデジタルスピコン付きシングルスライダーの外観図をご参照ください。
(注) 寸法図記載のスライダーカバースパンもしくはリーマー穴距離寸法にてスライダーを連結してください。

ストローク別寸法
| 呼びストローク | 350 | 400 | 450 | 500 | 550 | 600 | 650 | 700 | 750 | 800 |
|---|---|---|---|---|---|---|---|---|---|---|
| 有効ストローク | 200 | 250 | 300 | 350 | 400 | 450 | 500 | 550 | 600 | 650 |
| L | 565.5 | 615.5 | 665.5 | 715.5 | 765.5 | 815.5 | 865.5 | 915.5 | 965.5 | 1015.5 |
| A | 542.5 | 592.5 | 642.5 | 692.5 | 742.5 | 792.5 | 842.5 | 892.5 | 942.5 | 992.5 |
| B | 495 | 545 | 595 | 645 | 695 | 745 | 795 | 845 | 895 | 945 |
| J | 400 | 450 | 500 | 550 | 600 | 650 | 700 | 750 | 800 | 850 |
(注) 呼びストローク:型式上のストローク
有効ストローク:実際に動作可能なストローク
ストローク別質量
| 呼びストローク | 350 | 400 | 450 | 500 | 550 | 600 | 650 | 700 | 750 | 800 | ||
|---|---|---|---|---|---|---|---|---|---|---|---|---|
| 有効ストローク | 200 | 250 | 300 | 350 | 400 | 450 | 500 | 550 | 600 | 650 | ||
| 質量 (kg) | デジタルスピコン無し | ブレーキ無し | 6.15 | 6.45 | 6.65 | 6.95 | 7.25 | 7.55 | 7.75 | 8.05 | 8.35 | 8.65 |
| ブレーキ有り | 6.65 | 6.95 | 7.25 | 7.45 | 7.75 | 8.05 | 8.35 | 8.65 | 8.85 | 9.15 | ||
| デジタルスピコン有り | ブレーキ無し | 6.25 | 6.55 | 6.75 | 7.05 | 7.35 | 7.65 | 7.85 | 8.15 | 8.45 | 8.75 | |
| ブレーキ有り | 6.75 | 7.05 | 7.35 | 7.55 | 7.85 | 8.15 | 8.45 | 8.75 | 8.95 | 9.25 | ||
(注) シングルスライダー仕様にフリースライダー0.45kgを加えた質量です。
押付け力と電流制限値の相関図(ダブルスライダー仕様)

(注) シングルスライダー仕様と同じ値です。












