加速度別可搬質量
表内の単位はkgです。
HSLタイプ:X高速・Y超高速・Z低速
| Y軸(mm) 加減速度(G) | 50~250 (50mmごと) | 300~400 (50mmごと) | 
|---|---|---|
| 0.1 | 4 | - | 
| 0.3 | 4 | - | 
| 0.5 | 4 | - | 
HSMタイプ:X高速・Y超高速・Z中速
| Y軸(mm) 加減速度(G) | 50~250 (50mmごと) | 300~400 (50mmごと) | 
|---|---|---|
| 0.1 | 2 | |
| 0.3 | 2 | 1 | 
| 0.5 | 2 | 1 | 
HSHタイプ:X高速・Y超高速・Z高速
| Y軸(mm) 加減速度(G) | 50~400 (50mmごと) | 
|---|---|
| 0.1 | 1 | 
| 0.3 | 1 | 
| 0.5 | 1 | 
HSSタイプ:X高速・Y超高速・Z超高速
| Y軸(mm) 加減速度(G) | 50~400 (50mmごと) | 
|---|---|
| 0.1 | 0.5 | 
| 0.3 | 0.5 | 
| 0.5 | 0.5 | 
適応コントローラー
コントローラーは、別途販売となります。各コントローラーページをご参照ください。
海外規格
選定上の注意
|  | (1)基本的に組立てた形での出荷になります。 ばらし出荷をご希望の場合は、営業担当までご相談ください。 (2)「加速度別可搬質量」はX軸、Y軸、Z軸共に同じ加減速度の場合です。 著しい振動が生じる場合、適宜、速度・加減速度を落として使用してください。 | 
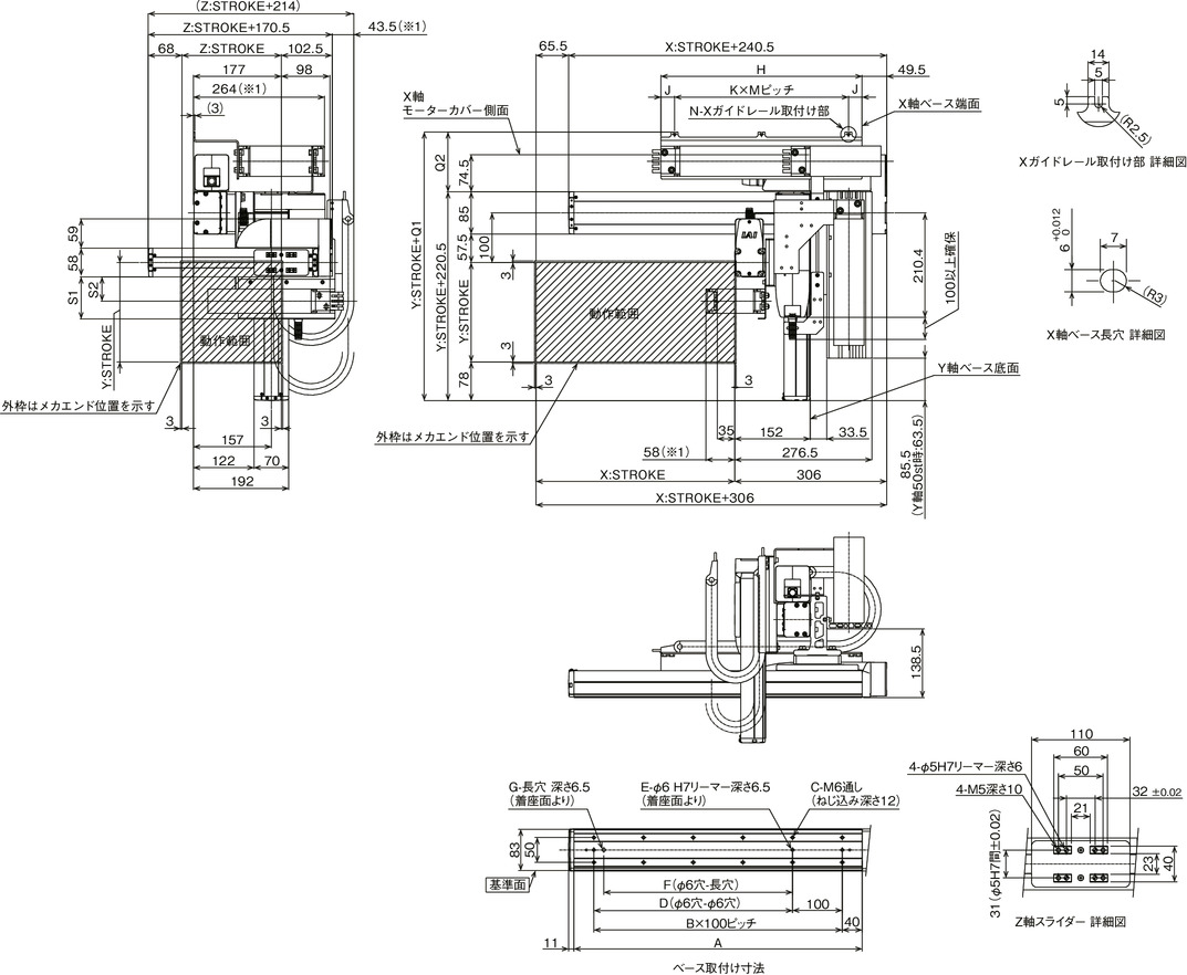
寸法図
※1 ケーブルベアが膨らみ、記載寸法より若干大きくなる可能性があります。
(注) 図面の組合わせ位置が原点となります。
(注) 第1配線・第2配線・第3配線ともケーブルベア付きの場合の図面です。
(注) ケーブルベア、ケーブルベア移動端ブラケットの詳細は5-567ページをご覧ください。
(注) X軸ケーブルベアガイドレールはお客様にてX軸を設置する面に固定してください。
またZ軸ケーブルベアの移動端もZ軸スライダーにお客様が取付けたプレートなどに固定してください。

ストローク別寸法
| X:ストローク | 50 | 100 | 150 | 200 | 250 | 300 | 350 | 400 | 450 | 500 | 550 | 600 | 650 | 700 | 750 | 800 | 850 | 900 | 950 | 1000 | 1050 | 1100 | 
|---|---|---|---|---|---|---|---|---|---|---|---|---|---|---|---|---|---|---|---|---|---|---|
| A | 230 | 280 | 330 | 380 | 430 | 480 | 530 | 580 | 630 | 680 | 730 | 780 | 830 | 880 | 930 | 980 | 1030 | 1080 | 1130 | 1180 | 1230 | 1280 | 
| B | 1 | 2 | 2 | 3 | 3 | 4 | 4 | 5 | 5 | 6 | 6 | 7 | 7 | 8 | 8 | 9 | 9 | 10 | 10 | 11 | 11 | 12 | 
| C | 4 | 6 | 6 | 8 | 8 | 10 | 10 | 12 | 12 | 14 | 14 | 16 | 16 | 18 | 18 | 20 | 20 | 22 | 22 | 24 | 24 | 26 | 
| D | 0 | 100 | 100 | 200 | 200 | 300 | 300 | 400 | 400 | 500 | 500 | 600 | 600 | 700 | 700 | 800 | 800 | 900 | 900 | 1000 | 1000 | 1100 | 
| E | 2 | 3 | 3 | 3 | 3 | 3 | 3 | 3 | 3 | 3 | 3 | 3 | 3 | 3 | 3 | 3 | 3 | 3 | 3 | 3 | 3 | 3 | 
| F | 0 | 0 | 80 | 180 | 180 | 280 | 280 | 380 | 380 | 480 | 480 | 580 | 580 | 680 | 680 | 780 | 780 | 880 | 880 | 980 | 980 | 1080 | 
| G | 0 | 0 | 1 | 1 | 1 | 1 | 1 | 1 | 1 | 1 | 1 | 1 | 1 | 1 | 1 | 1 | 1 | 1 | 1 | 1 | 1 | 1 | 
| H | 230 | 255 | 280 | 305 | 330 | 355 | 380 | 405 | 430 | 455 | 480 | 505 | 530 | 555 | 580 | 605 | 630 | 655 | 680 | 705 | 730 | 755 | 
| J | 30 | 27.5 | 27.5 | 27.5 | 27.5 | 27.5 | 27.5 | 27.5 | 27.5 | 27.5 | 22.5 | 27.5 | 77.5 | 52.5 | 65 | 77.5 | 52.5 | 27.5 | 77.5 | 22.5 | 55 | 27.5 | 
| K | 1 | 1 | 1 | 2 | 2 | 2 | 2 | 2 | 2 | 2 | 3 | 3 | 3 | 3 | 3 | 3 | 3 | 3 | 3 | 4 | 4 | 4 | 
| M | 170 | 200 | 225 | 125 | 137.5 | 150 | 162.5 | 175 | 187.5 | 200 | 145 | 150 | 125 | 150 | 150 | 150 | 175 | 200 | 175 | 165 | 155 | 175 | 
| N | 2 | 2 | 2 | 3 | 3 | 3 | 3 | 3 | 3 | 3 | 4 | 4 | 4 | 4 | 4 | 4 | 4 | 4 | 4 | 5 | 5 | 5 | 
ストローク別寸法
| ケーブル ベアサイズ | CT | CTM | CTL | CTXL | 
|---|---|---|---|---|
| Q1 | 328 | 341 | 354 | 371 | 
| Q2 | 107.5 | 120.5 | 133.5 | 150.5 | 
| S1 | 84.5 | 96.5 | - | - | 
| S2 | 48.5 | 55 | - | - | 
(注) ケーブルベアのサイズにより、Q1、Q2、S1、S2の寸法が変わります。
スペック
| 項目 | X軸 | Y軸 | Z軸 | |
|---|---|---|---|---|
| 構成軸 | RCP6-SA8R | RCP6-SA7R | RCP6-SA6R | |
| ストローク(50mmごと)(注3) | 50~1100mm | 50~400mm | 50~200mm | |
| 最高速度(注4) | HSL | 300mm/s | 640mm/s | 170mm/s | 
| HSM | 340mm/s | |||
| HSH | 680mm/s | |||
| HSS | 800mm/s | |||
| モーターサイズ | 56□高推力パルスモーター | 56□パルスモーター | 42□パルスモーター | |
| ボールねじ リード | HSL | 20mm | 24mm | 3mm | 
| HSM | 6mm | |||
| HSH | 12mm | |||
| HSS | 20mm | |||
| 駆動方式 | ボールねじφ16mm 転造C10 | ボールねじφ12mm 転造C10 | ボールねじφ10mm 転造C10 | |
| 繰返し位置決め精度 | ±0.01mm | |||
| ベース素材 | アルミ | |||
| 使用周囲温度・湿度 | 0 ~40℃、 85% RH 以下(結露無きこと) | |||
(注3) 速度タイプ「HSL」を選択した場合、Y軸ストロークは250mmが最大となります。
(注4) 移動距離が短い場合や加速度が低い場合は最高速度に到達しない場合があります。
ストロークにより最高速度が変化する場合があります。
詳細は、5-569ページのストローク別最高速度表をご参照ください。



