メインスペック
| 項目 | 内容 | ||||
|---|---|---|---|---|---|
| モーター出力(W) | 20 | ||||
| リード | ボールねじリード(mm) | 10 | 5 | 2.5 | |
| 水平 | 可搬質量 | 最大可搬質量(kg) | 4 | 9 | 18 |
| 速度/加減速度 | 最高速度(mm/s) | 500 | 250 | 125 | |
| 定格加減速度(G) | 0.3 | 0.3 | 0.2 | ||
| 最高加減速度(G) | 0.3 | 0.3 | 0.2 | ||
| 垂直 | 可搬質量 | 最大可搬質量(kg) | 1.5 | 3 | 6.5 |
| 速度/加減速度 | 最高速度(mm/s) | 500 | 250 | 125 | |
| 定格加減速度(G) | 0.3 | 0.3 | 0.2 | ||
| 最高加減速度(G) | 0.3 | 0.3 | 0.2 | ||
| 推力 | 定格推力(N) | 36.2 | 72.4 | 144.8 | |
| ブレーキ | ブレーキ仕様 | 無励磁作動電磁ブレーキ | |||
| ブレーキ保持力(kgf) | 1.5 | 3 | 6.5 | ||
| ストローク | 最小ストローク(mm) | 50 | 50 | 50 | |
| 最大ストローク(mm) | 200 | 200 | 200 | ||
| ストロークピッチ(mm) | 50 | 50 | 50 | ||
| 項目 | 内容 |
|---|---|
| 駆動方式 | ボールねじ φ8mm 転造C10 |
| 繰返し位置決め精度 | ±0.02mm |
| ロストモーション | 0.1mm以下 |
| ロッド | φ16mm 材質:鉄 硬質クロムめっき処理 |
| ロッド不回転精度(注4) | ±1.0度 |
| 使用周囲温度・湿度 | 0~40℃、85%RH以下(結露なきこと) |
| 保護等級 | IP30 |
| 耐振動・耐衝撃 | 4.9m/s2 |
| 海外対応規格 | CEマーク、RoHS指令 |
| モーター種類 | ACサーボモーター |
| エンコーダー種類 | インクリメンタル |
| エンコーダーパルス数 | 800 pulse/rev |
| 納期 | ホームページ[納期照会]に記載 |
(注4) ロッド先端が最も本体に格納された状態で、ロッド先端静的許容トルクをかけた時のロッド先端変位角(初期値目安)です。
ストロークと最高速度
(単位はmm/s)
|
ストローク リード | 50~200 (50mmごと) |
|---|---|
| 10 | 500 |
| 5 | 250 |
| 2.5 | 125 |
適応コントローラー
本ページのアクチュエーターは下記のコントローラーで動作が可能です。ご使用になる用途に応じたタイプをご選択ください。
| 名称 | 外観 | 最大接続 可能軸数 | 電源電圧 | 制御方法 | 最大位置決め点数 | |||||||||||||||
|---|---|---|---|---|---|---|---|---|---|---|---|---|---|---|---|---|---|---|---|---|
| ポジショナー | パルス列 | プログラム | ネットワーク ※選択 | |||||||||||||||||
| DV | CC | CIE | CIT | PR | CN | ML | ML3 | EC | EP | PRT | SSN | ECM | ||||||||
| ACON-CB/CGB | ![]() | 1 | DC24V | ● ※選択 | ● ※選択 | - | ● | ● | ● | - | ● | ● | ● | ● | ● | ● | ● | - | - | 512 (ネットワーク仕様は768) |
| ACON-CYB/PLB/POB | ![]() | 1 | ● ※選択 | ● ※選択 | - | - | - | - | - | - | - | - | - | - | - | - | - | - | 64 | |
| RCON | ![]() | 16 (ML3,SSN,ECMは8) | - | - | - | ● | ● | ● | ● | ● | - | - | ● | ● | ● | ● | ● | ● | 128 (ML3,SSN,ECMはポジションデータなし) | |
| RSEL | ![]() | 8 | - | - | ● | ● | ● | ● | - | ● | - | - | - | ● | ● | ● | - | - | 36000 | |
(注) DV、CCなどのネットワーク略称記号については、8-15ページをご確認ください。
海外規格
選定上の注意
| (1)可搬質量は標準仕様/省電力対応が0.3G(リード2.5は0.2G)、高加減速対応が1G(リード2.5は除く)で動作させた時の値です。(加減速度を落としても最大可搬質量は「メインスペック」の数値が上限となります) (2)動作条件(搬送質量、加減速度など)によって、使用可能なデューティー比の目安は変化します。詳細は1-336ページをご確認ください。 (3)水平可搬質量は外付けガイドを併用し、ロッドに進行方向以外からの外力がかからない場合の数値です。 (4)簡易アブソで使用される場合も型式項目のエンコーダー種類欄は「 I 」になります。 (5)取付け姿勢によっては注意が必要です。詳細は1-313ページをご参照ください。 (6)RCON/RSEL接続時は、変換ユニットおよび接続ケーブルが別途必要になります。詳細は8-101ページをご参照ください。 |
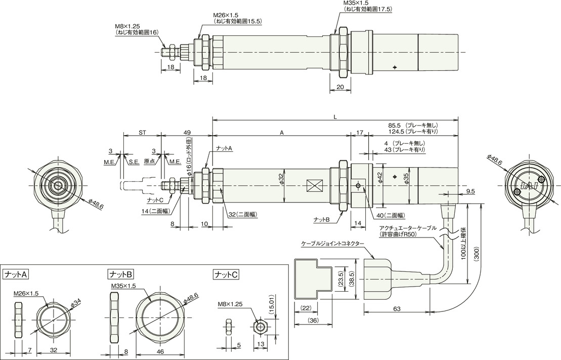
寸法図
ST:ストローク
M.E.:メカニカルエンド
S.E.:ストロークエンド
(注) ケーブルジョイントコネクターには、モーター・エンコーダーケーブルを接続します。ケーブルの詳細は4-607ページをご参照ください。
(注) 原点復帰時はロッドがM.E.まで移動しますので、周囲物との干渉にご注意ください。
(注) 二面幅の面の向きは製品により異なります。また、二面幅の向きは変更できません。
(注) ロッドにはロッドの進行方向以外からの外力をかけないでください。ロッドに対して直角方向や回転方向の力がかかるとまわり止めが破損する場合があります。

ストローク別寸法
| ストローク | 50 | 100 | 150 | 200 | |
|---|---|---|---|---|---|
| L | ブレーキ無し | 234.5 | 284.5 | 334.5 | 384.5 |
| ブレーキ有り | 273.5 | 323.5 | 373.5 | 423.5 | |
| A | 132 | 182 | 232 | 282 | |
ストローク別質量
| ストローク | 50 | 100 | 150 | 200 | |
|---|---|---|---|---|---|
| 質量 (kg) | ブレーキ無し | 0.7 | 0.8 | 0.9 | 1.0 |
| ブレーキ有り | 0.9 | 1.0 | 1.1 | 1.2 | |
オフボードチューニング時の可搬質量および加減速度
| リード | 加減速度別可搬質量 (kg) | 最高速度 (mm/s) | |||||||||||||||||||||
|---|---|---|---|---|---|---|---|---|---|---|---|---|---|---|---|---|---|---|---|---|---|---|---|
| 0.1G | 0.2G | 0.3G | 0.4G | 0.5G | 0.6G | 0.7G | 0.8G | 0.9G | 1.0G | 1.1G | 1.2G | 1.3G | 1.4G | 1.5G | 1.6G | 1.7G | 1.8G | 1.9G | 2.0G | 標準 | チューニング後 | ||
| 水平 | 10 | 5.2 | 4.8 | 4 | 3.4 | 2.9 | 2.4 | 2 | 1.7 | 1.5 | 1.4 | 1.3 | 1.2 | 1.1 | 1.05 | 1 | 500 | 500 | |||||
| 5 | 12 | 11 | 9 | 6.5 | 4.5 | 3.5 | 2.8 | 2.3 | 2.1 | 2 | 250 | 250 | |||||||||||
| 2.5 | 23.5 | 18 | 9 | 125 | 125 | ||||||||||||||||||
| 垂直 | 10 | 1.5 | 1.5 | 1.5 | 1.2 | 0.9 | 0.7 | 0.6 | 0.5 | 500 | 500 | ||||||||||||
| 5 | 3 | 3 | 3 | 2.5 | 2 | 1.7 | 1.5 | 250 | 250 | ||||||||||||||
| 2.5 | 6.5 | 6.5 | 3.5 | 125 | 125 | ||||||||||||||||||
可搬質量の単位はkgです。空欄は動作不可となります。
特徴
(注) リード2.5は除く

















