メインスペック
| 項目 | 内容 | |||||||
|---|---|---|---|---|---|---|---|---|
| 送りねじ種類 | ボールねじ | すべりねじ | ||||||
| リード | リード(mm) | 6 | 4 | 2 | 6 | 4 | 2 | |
| 水平 | 可搬質量 | 最大可搬質量(kg) | 2 | 3 | 6 | 0.25 | 0.5 | 1 |
| 速度/加減速度 | 最高速度(mm/s) | 300 | 200 | 100 | 300 | 200 | 100 | |
| 定格加減速度(G) | 0.3 | 0.3 | 0.2 | 0.2 | 0.2 | 0.2 | ||
| 最高加減速度(G) | 0.3 | 0.3 | 0.2 | 0.2 | 0.2 | 0.2 | ||
| 垂直 | 可搬質量 | 最大可搬質量(kg) | 0.5 | 0.75 | 1.5 | 0.125 | 0.25 | 0.5 |
| 速度/加減速度 | 最高速度(mm/s) | 300 | 200 | 100 | 300 | 200 | 100 | |
| 定格加減速度(G) | 0.2 | 0.2 | 0.2 | 0.2 | 0.2 | 0.2 | ||
| 最高加減速度(G) | 0.2 | 0.2 | 0.2 | 0.2 | 0.2 | 0.2 | ||
| 推力 | 定格推力(N) | 33.8 | 50.7 | 101.5 | 19.9 | 29.8 | 59.7 | |
| ブレーキ | ブレーキ仕様 | 無励磁作動電磁ブレーキ | ||||||
| ブレーキ保持力(kgf) | 0.5 | 0.75 | 1.5 | 0.125 | 0.25 | 0.5 | ||
| ストローク | 最小ストローク(mm) | 30 | 30 | 30 | 30 | 30 | 30 | |
| 最大ストローク(mm) | 50 | 50 | 50 | 50 | 50 | 50 | ||
| ストロークピッチ(mm) | 20 | 20 | 20 | 20 | 20 | 20 | ||
| 項目 | 内容 |
|---|---|
| 駆動方式 | ボールねじ/すべりねじ φ6mm 転造C10 |
| 繰返し位置決め精度 | ボールねじ:±0.02mm すべりねじ:±0.05mm |
| ロストモーション | ボールねじ:0.1mm以下/すべりねじ:0.3mm以下(初期値) |
| フレーム | 材質:アルミ 白色アルマイト処理 |
| ロッド不回転精度 | - |
| 走行寿命 | ボールねじ:5000kmもしくは5000万往復 すべりねじ:水平1000万往復 垂直500万往復 |
| 使用周囲温度・湿度 | 0~40℃、85%RH以下(結露なきこと) |
| 保護等級 | IP20 |
| 耐振動・耐衝撃 | 4.9m/s2 |
| 海外対応規格 | CEマーク、RoHS指令 |
| モーター種類 | ACサーボモーター |
| エンコーダー種類 | インクリメンタル |
| エンコーダーパルス数 | 1048 pulse/rev |
| 納期 | ホームページ[納期照会]に記載 |
ストロークと最高速度
(単位はmm/s)
|
ストローク リード | 30 (mm) | 50 (mm) | |
|---|---|---|---|
| ボールねじ | 6 | 270<220> | 300 |
| 4 | 200 | ||
| 2 | 100 | ||
| すべりねじ | 6 | 220 | 300 |
| 4 | 200 | ||
| 2 | 100 | ||
(注) < >内は垂直使用の場合です。
適応コントローラー
本ページのアクチュエーターは下記のコントローラーで動作が可能です。ご使用になる用途に応じたタイプをご選択ください。
| 名称 | 外観 | 最大接続 可能軸数 | 電源電圧 | 制御方法 | 最大位置決め点数 | |||||||||||||||
|---|---|---|---|---|---|---|---|---|---|---|---|---|---|---|---|---|---|---|---|---|
| ポジショナー | パルス列 | プログラム | ネットワーク ※選択 | |||||||||||||||||
| DV | CC | CIE | CIT | PR | CN | ML | ML3 | EC | EP | PRT | SSN | ECM | ||||||||
| ACON-CB/CGB | ![]() | 1 | DC24V | ● ※選択 | ● ※選択 | - | ● | ● | ● | - | ● | ● | ● | ● | ● | ● | ● | - | - | 512 (ネットワーク仕様は768) |
| ACON-CYB/PLB/POB | ![]() | 1 | ● ※選択 | ● ※選択 | - | - | - | - | - | - | - | - | - | - | - | - | - | - | 64 | |
| RCON | ![]() | 16 (ML3,SSN,ECMは8) | - | - | - | ● | ● | ● | ● | ● | - | - | ● | ● | ● | ● | ● | ● | 128 (ML3,SSN,ECMはポジションデータなし) | |
| RSEL | ![]() | 8 | - | - | ● | ● | ● | ● | - | ● | - | - | - | ● | ● | ● | - | - | 36000 | |
(注) DV、CCなどのネットワーク略称記号については、8-15ページをご確認ください。
海外規格
選定上の注意
| (1)送りねじにまわり止め機構が付いていませんので、ご使用の時は送りねじ先端にガイドなどのまわり止め機構を追加してご使用ください。(まわり止めがないと送りねじが回転し前後に移動が出来ません)またまわり止め機構とロッドを連結する際は、フローティングジョイント類は使用しないでください。取付け方法、条件などは1-320ページをご確認ください。 (2)水平可搬質量は外付けガイドを併用した場合の数値です。 (3)可搬質量は加速度0.3G(リード2と垂直使用、すべりねじ仕様は0.2G)で動作させた時の値で、加速度は上限となります。 (4)動作条件(搬送質量、加減速度など)によって、使用可能なデューティー比の目安は変化します。詳細は1-336ページをご確認ください。 (5)ロッドにはロッド進行方向以外からの外力をかけないでください。 (6)簡易アブソで使用される場合も型式項目のエンコーダー種類欄は「 I 」になります。 (7)取付け姿勢によっては注意が必要です。詳細は1-313ページをご参照ください。 |
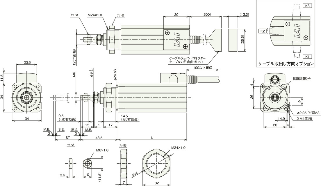
寸法図
ブレーキ無し
ST:ストローク
M.E.:メカニカルエンド
S.E.:ストロークエンド
(注) ケーブルジョイントコネクターには、モーター・エンコーダーケーブルを接続します。
(注) 原点復帰を行う場合はロッドがM.E.まで移動しますので、周囲物との干渉にご注意ください。
(注) 二面幅の面の向きは製品により異なります。
(注) 本製品は送りねじにまわり止めが付いていませんので、外部にまわり止めを追加してご使用ください。

ブレーキ有り

ストローク別寸法
| ストローク | 30 | 50 |
|---|---|---|
| L | 80 | 100 |
ストローク別質量
| ストローク | 30 | 50 | |
|---|---|---|---|
| 質量 (kg) | ブレーキ無し | 0.4 | 0.44 |
| ブレーキ有り | 0.55 | 0.59 | |




















