
(注) 上写真はモーター左折返し仕様(ML)です。
メインスペック
| 項目 | 内容 | ||||
|---|---|---|---|---|---|
| リード | ボールねじリード(mm) | 20 | 10 | 5 | |
| 水平 | 可搬質量 | 最大可搬質量(kg) | 30 | 60 | 100 |
| 速度/加減速度 | 最高速度(mm/s) | 400 | 200 | 100 | |
| 最低速度(mm/s) | 25 | 13 | 7 | ||
| 定格加減速度(G) | 0.2 | 0.2 | 0.1 | ||
| 最高加減速度(G) | 0.2 | 0.2 | 0.1 | ||
| 垂直 | 可搬質量 | 最大可搬質量(kg) | 5 | 40 | 70 |
| 速度/加減速度 | 最高速度(mm/s) | 400 | 200 | 100 | |
| 最低速度(mm/s) | 25 | 13 | 7 | ||
| 定格加減速度(G) | 0.2 | 0.2 | 0.1 | ||
| 最高加減速度(G) | 0.2 | 0.2 | 0.1 | ||
| 押付け | 押付け時最大推力(N) | 500 | 1000 | 2000 | |
| 押付け最高速度(mm/s) | 10 | 10 | 10 | ||
| ブレーキ | ブレーキ仕様 | 無励磁作動電磁ブレーキ | |||
| ブレーキ保持力(kgf) | 5 | 40 | 70 | ||
| ストローク | 最小ストローク(mm) | 50 | 50 | 50 | |
| 最大ストローク(mm) | 300 | 300 | 300 | ||
| ストロークピッチ(mm) | 50 | 50 | 50 | ||
| 項目 | 内容 |
|---|---|
| 駆動方式 | ボールねじ φ16mm 転造C10 |
| 繰返し位置決め精度 | ±0.01mm |
| ロストモーション | 0.1mm以下 |
| ロッド | φ40mm 材質:アルミ 硬質アルマイト処理 |
| ロッド不回転精度(注3) | ±0.8度 |
| ロッド先端静的許容トルク | 5.0N・m |
| 使用周囲温度・湿度 | 0~40℃、85%RH以下(結露なきこと) |
| 保護等級 | IP30 |
| 耐振動・耐衝撃 | 4.9m/s2 |
| 海外対応規格 | CEマーク、RoHS指令 |
| モーター種類 | パルスモーター |
| エンコーダー種類 | バッテリーレスアブソリュート |
| エンコーダーパルス数 | 8192 pulse/rev |
| 納期 | ホームページ[納期照会]に記載 |
(注3) ロッドが最も本体に収納された状態で、ロッド先端静的許容トルクをかけた時のロッド先端変位角(初期値目安)です。
速度・加速度別可搬質量表
搬送質量により最高速度は変動します。可搬質量の単位はkgです。
| 姿勢 | 水平 |
|---|---|
| 速度 | 加速度(G) |
| (mm/s) | 0.2 |
| 0 | 30 |
| 300 | 30 |
| 350 | 14 |
| 400 | 6 |
| 姿勢 | 垂直 |
|---|---|
| 速度 | 加速度(G) |
| (mm/s) | 0.2 |
| 0 | 5 |
| 300 | 5 |
| 330 | 3.5 |
| 360 | 2 |
| 400 | 0.5 |
| 姿勢 | 水平 |
|---|---|
| 速度 | 加速度(G) |
| (mm/s) | 0.2 |
| 0 | 60 |
| 160 | 60 |
| 170 | 40 |
| 180 | 25 |
| 190 | 15 |
| 200 | 12 |
| 姿勢 | 垂直 |
|---|---|
| 速度 | 加速度(G) |
| (mm/s) | 0.2 |
| 0 | 40 |
| 80 | 40 |
| 90 | 34 |
| 100 | 28 |
| 110 | 23 |
| 120 | 18 |
| 130 | 15 |
| 140 | 12 |
| 150 | 10 |
| 160 | 8 |
| 170 | 6 |
| 180 | 4 |
| 190 | 3 |
| 200 | 2 |
| 姿勢 | 水平 |
|---|---|
| 速度 | 加速度(G) |
| (mm/s) | 0.1 |
| 0 | 100 |
| 90 | 100 |
| 100 | 75 |
| 姿勢 | 垂直 |
|---|---|
| 速度 | 加速度(G) |
| (mm/s) | 0.1 |
| 0 | 70 |
| 45 | 70 |
| 60 | 45 |
| 70 | 35 |
| 80 | 25 |
| 90 | 16 |
| 100 | 10 |
ストロークと最高速度
(単位はmm/s)
| リード (mm) | 50~300 (50mmごと) |
|---|---|
| 20 | 400 |
| 10 | 200 |
| 5 | 100 |
押付け力と電流制限値の相関図

適応コントローラー
本ページのアクチュエーターは下記のコントローラーで動作が可能です。ご使用になる用途に応じたタイプをご選択ください。
| 名称 | 外観 | 最大接続 可能軸数 | 電源電圧 | 制御方法 | 最大位置決め点数 | |||||||||||||||
|---|---|---|---|---|---|---|---|---|---|---|---|---|---|---|---|---|---|---|---|---|
| ポジショナー | パルス列 | プログラム | ネットワーク ※選択 | |||||||||||||||||
| DV | CC | CIE | CIT | PR | CN | ML | ML3 | EC | EP | PRT | SSN | ECM | ||||||||
| MSEL-PCF/PGF | ![]() | 4 | 単相AC 100~230V | - | - | ● | ● | ● | - | - | ● | - | - | - | ● | ● | ● | - | - | 30000 |
| PCON-CFB/CGFB | ![]() | 1 | DC24V | ● ※選択 | ● ※選択 | - | ● | ● | ● | - | ● | ● | ● | ● | ● | ● | ● | - | - | 512 (ネットワーク仕様は768) |
| RCON | ![]() | 16 (ML3,SSN,ECMは8) | - | - | - | ● | ● | ● | ● | ● | - | - | ● | ● | ● | ● | ● | ● | 128 (ML3,SSN,ECMはポジションデータなし) | |
| RSEL | ![]() | 8 | - | - | ● | ● | ● | ● | - | ● | - | - | - | ● | ● | ● | - | - | 36000 | |
(注) DV、CCなどのネットワーク略称記号については、8-15ページをご確認ください。
(注) RCP6Sシリーズの内蔵コントローラーは、8-181ページをご確認ください。
(注) MSEL-PCF/PGFの3、4軸目は接続できません。
海外規格
選定上の注意
| (1)「メインスペック」の可搬質量は、最大値を表示しています。詳細は「速度・加速度別可搬質量表」をご参照ください。 (2)水平可搬質量は外付けガイドを併用した場合です。ロッドの進行方向以外からの外力がかかると、まわり止めが破損する場合がありますのでご注意ください。 (3)押付け動作を行う場合は「押付け力と電流制限値の相関図」をご参照ください。押付け力は目安の値です。注意点は1-321ページをご確認ください。 (4)RCP6S(コントローラー内蔵)は、デューティー比70%以下で運転してください。 (5)リード5を垂直で使用する場合、可搬質量によって寿命が変わります。詳細は「垂直搬送質量と走行寿命」をご参照ください。 (6)取付け姿勢によっては注意が必要です。詳細は1-313ページをご参照ください。 (7)RCON/RSEL接続時は、変換ケーブルが別途必要になります。詳細は8-101ページをご参照ください。 |
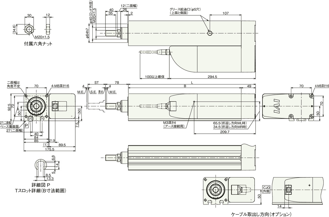
寸法図
RCP6-RA8R
ST:ストローク
M.E.:メカニカルエンド
S.E.:ストロークエンド
(注) 原点復帰を行った場合はロッドがM.E.まで移動しますので、周囲物との干渉にご注意ください。
(注) 二面幅の向きは製品により異なります。また、二面幅の向きは変更できません。
(注) 下図はモーター左折返し仕様(ML)の場合です。

ストローク別寸法
| ストローク | 50 | 100 | 150 | 200 | 250 | 300 |
|---|---|---|---|---|---|---|
| L | 284.5 | 334.5 | 384.5 | 434.5 | 484.5 | 534.5 |
| B | 235.5 | 285.5 | 335.5 | 385.5 | 435.5 | 485.5 |
ストローク別質量
| ストローク | 50 | 100 | 150 | 200 | 250 | 300 | |
|---|---|---|---|---|---|---|---|
| 質量 (kg) | ブレーキ無し | 9 | 9.9 | 10.8 | 11.7 | 12.6 | 13.5 |
| ブレーキ有り | 9.2 | 10.1 | 11 | 11.9 | 12.8 | 13.7 | |
RCP6S-RA8R
ST:ストローク
M.E.:メカニカルエンド
S.E.:ストロークエンド
(注) 原点復帰を行った場合はロッドがM.E.まで移動しますので、周囲物との干渉にご注意ください。
(注) 二面幅の向きは製品により異なります。また、二面幅の向きは変更できません。
(注) 下図はモーター左折返し仕様(ML)の場合です。

ストローク別寸法
| ストローク | 50 | 100 | 150 | 200 | 250 | 300 |
|---|---|---|---|---|---|---|
| L | 284.5 | 334.5 | 384.5 | 434.5 | 484.5 | 534.5 |
| B | 235.5 | 285.5 | 335.5 | 385.5 | 435.5 | 485.5 |
ストローク別質量
| ストローク | 50 | 100 | 150 | 200 | 250 | 300 | |
|---|---|---|---|---|---|---|---|
| 質量 (kg) | ブレーキ無し | 9.2 | 10.1 | 11 | 11.9 | 12.8 | 13.7 |
| ブレーキ有り | 9.4 | 10.3 | 11.2 | 12.1 | 13 | 13.9 | |
垂直搬送質量と走行寿命

















