ストローク別最高速度
BB□MB1H
(単位はmm/s)
| 100~300 | 350~400 | 450~700 | 750~800 | 850~900 | 950~1000 | 1050~1100 | |
|---|---|---|---|---|---|---|---|
| X軸 | 600 | 430 | 345 | 280 | 230 | ||
| Y軸 | 480 | - | |||||
| Z軸 | 960 | - | |||||
BB□MB1M
(単位はmm/s)
| 100~300 | 350~400 | 450~700 | 750~800 | 850~900 | 950~1000 | 1050~1100 | |
|---|---|---|---|---|---|---|---|
| X軸 | 600 | 430 | 345 | 280 | 230 | ||
| Y軸 | 480 | - | |||||
| Z軸 | 480 | - | |||||
BB□MB1L
(単位はmm/s)
| 100~300 | 350~400 | 450~700 | 750~800 | 850~900 | 950~1000 | 1050~1100 | |
|---|---|---|---|---|---|---|---|
| X軸 | 600 | 430 | 345 | 280 | 230 | ||
| Y軸 | 480 | - | |||||
| Z軸 | 240 | - | |||||
可搬質量
表内の単位はkgです。
(注) 定格加速度で動作した場合の値です。「選定上の注意」をご参照ください。
BB□MB1H
| Y軸ストローク | ||
|---|---|---|
| 100~400 | ||
| Z軸ストローク | 100 | 3.5 |
| 150 | ||
| 200 | ||
| 250 | ||
| 300 | ||
BB□MB1M
| Y軸ストローク | ||
|---|---|---|
| 100~400 | ||
| Z軸ストローク | 100 | 7.0 |
| 150 | ||
| 200 | ||
| 250 | ||
| 300 | ||
BB□MB1L
| Y軸ストローク | ||
|---|---|---|
| 100~400 | ||
| Z軸ストローク | 100 | 14.0 |
| 150 | ||
| 200 | ||
| 250 | ||
| 300 | ||
適応コントローラー
各コントローラーのページをご参照ください。(8-8ページ) なお、コントローラーは、別途販売となります。
海外規格
選定上の注意
| (1)型式項目のストローク欄は、型式中ではcm(センチメートル)表記となります。 (2)ケーブル長はX軸コネクターボックスから(ケーブルキャリア仕様の場合はX軸のアクチュエーターケーブルから)コントローラーまでの長さです。標準は3mか5mですが、それ以外の長さもm単位で対応可能です。最長20mまで対応可能です。 (3)ストロークが長くなると最高速度は低下しますのでご注意ください。 (4)定格加速度はZ軸のリード4が0.2G、それ以外は0.4Gです。可搬質量は定格加速度で動作した場合です。加速度を上げると可搬質量は低下します。 (5)型式項目のX軸ストローク欄は、自立ケーブル仕様の場合は最大1000mmになります。 (6)【 】内は高精度仕様の型式の場合です。 |
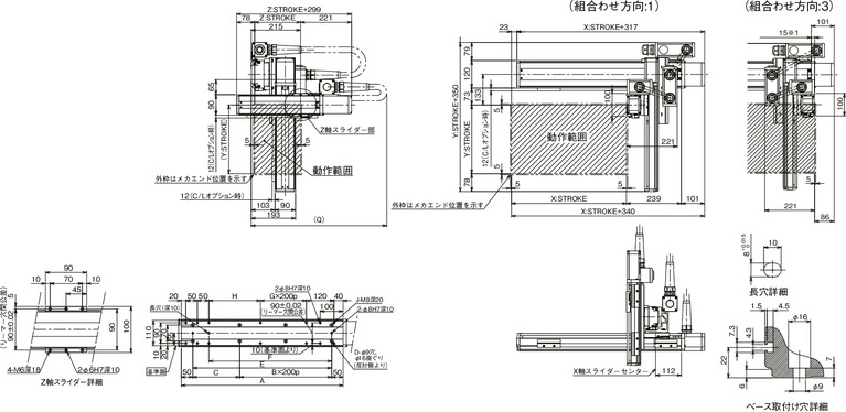
寸法図
ICSB3【ICSPB3】-BB□MB1□-SC-SC(自立ケーブル仕様)
※1 X軸ベース端からZ軸スライダー着座面の寸法です。
(注) 図面の組合わせ位置が原点位置となります。原点位置を変更する場合は、オプションのNMをご指定ください。また納品後原点位置を変える場合は返却調整が必要ですのでご注意ください。
(注) 自立ケーブルの高さ寸法は、ストロークにより、YZ間よりもXY間の方が高くなる場合がありますのでご注意ください。寸法については、ICS(P)B2-BB□M掲載ページをご確認ください。

| X軸ストローク | 100 | 150 | 200 | 250 | 300 | 350 | 400 | 450 | 500 | 550 | 600 | 650 | 700 | 750 | 800 | 850 | 900 | 950 | 1000 |
|---|---|---|---|---|---|---|---|---|---|---|---|---|---|---|---|---|---|---|---|
| A | 304 | 354 | 404 | 454 | 504 | 554 | 604 | 654 | 704 | 754 | 804 | 854 | 904 | 954 | 1004 | 1054 | 1104 | 1154 | 1204 |
| B | 0 | 0 | 1 | 1 | 1 | 1 | 2 | 2 | 2 | 2 | 3 | 3 | 3 | 3 | 4 | 4 | 4 | 4 | 5 |
| C | 204 | 254 | 104 | 154 | 204 | 254 | 104 | 154 | 204 | 254 | 104 | 154 | 204 | 254 | 104 | 154 | 204 | 254 | 104 |
| D | 4 | 4 | 6 | 6 | 6 | 6 | 8 | 8 | 8 | 8 | 10 | 10 | 10 | 10 | 12 | 12 | 12 | 12 | 14 |
| E | 204 | 254 | 304 | 354 | 404 | 454 | 504 | 554 | 604 | 654 | 704 | 754 | 804 | 854 | 904 | 954 | 1004 | 1054 | 1104 |
| F | 134 | 184 | 234 | 284 | 334 | 384 | 434 | 484 | 534 | 584 | 634 | 684 | 734 | 784 | 834 | 884 | 934 | 984 | 1034 |
| G | 0 | 0 | 0 | 0 | 0 | 0 | 1 | 1 | 1 | 1 | 2 | 2 | 2 | 2 | 3 | 3 | 3 | 3 | 4 |
| H | 24 | 74 | 124 | 174 | 224 | 274 | 124 | 174 | 224 | 274 | 124 | 174 | 224 | 274 | 124 | 174 | 224 | 274 | 124 |
| J | 10 | 10 | 10 | 10 | 10 | 10 | 12 | 12 | 12 | 12 | 14 | 14 | 14 | 14 | 16 | 16 | 16 | 16 | 18 |
| Y軸ストローク | 100 | 150 | 200 | 250 | 300 | 350 | 400 |
|---|---|---|---|---|---|---|---|
| Q | 600 | 650 | 650 | 700 | 700 | 750 | 750 |
ICSB3【ICSPB3】-BB□MB1□-CT-CT(ケーブルキャリア仕様)
(注) 図面の組合わせ位置が原点位置となります。原点位置を変更する場合は、オプションのNMをご指定ください。また納品後原点位置を変える場合は返却調整が必要ですのでご注意ください。

| X軸ストローク | 100 | 150 | 200 | 250 | 300 | 350 | 400 | 450 | 500 | 550 | 600 | 650 | 700 | 750 | 800 | 850 | 900 | 950 | 1000 | 1050 | 1100 |
|---|---|---|---|---|---|---|---|---|---|---|---|---|---|---|---|---|---|---|---|---|---|
| A | 304 | 354 | 404 | 454 | 504 | 554 | 604 | 654 | 704 | 754 | 804 | 854 | 904 | 954 | 1004 | 1054 | 1104 | 1154 | 1204 | 1254 | 1304 |
| B | 0 | 0 | 1 | 1 | 1 | 1 | 2 | 2 | 2 | 2 | 3 | 3 | 3 | 3 | 4 | 4 | 4 | 4 | 5 | 5 | 5 |
| C | 204 | 254 | 104 | 154 | 204 | 254 | 104 | 154 | 204 | 254 | 104 | 154 | 204 | 254 | 104 | 154 | 204 | 254 | 104 | 154 | 204 |
| D | 4 | 4 | 6 | 6 | 6 | 6 | 8 | 8 | 8 | 8 | 10 | 10 | 10 | 10 | 12 | 12 | 12 | 12 | 14 | 14 | 14 |
| E | 204 | 254 | 304 | 354 | 404 | 454 | 504 | 554 | 604 | 654 | 704 | 754 | 804 | 854 | 904 | 954 | 1004 | 1054 | 1104 | 1154 | 1204 |
| F | 134 | 184 | 234 | 284 | 334 | 384 | 434 | 484 | 534 | 584 | 634 | 684 | 734 | 784 | 834 | 884 | 934 | 984 | 1034 | 1084 | 1134 |
| G | 0 | 0 | 0 | 0 | 0 | 0 | 1 | 1 | 1 | 1 | 2 | 2 | 2 | 2 | 3 | 3 | 3 | 3 | 4 | 4 | 4 |
| H | 24 | 74 | 124 | 174 | 224 | 274 | 124 | 174 | 224 | 274 | 124 | 174 | 224 | 274 | 124 | 174 | 224 | 274 | 124 | 174 | 224 |
| J | 10 | 10 | 10 | 10 | 10 | 10 | 12 | 12 | 12 | 12 | 14 | 14 | 14 | 14 | 16 | 16 | 16 | 16 | 18 | 18 | 18 |
| N | 175 | 200 | 225 | 250 | 275 | 300 | 325 | 350 | 375 | 400 | 425 | 450 | 475 | 500 | 525 | 550 | 575 | 600 | 625 | 650 | 675 |
共通仕様
| 駆動方式 | ボールねじ 転造C10 【転造C5相当】 |
| 繰返し位置決め精度 | ±0.01mm 【±0.005mm】 |
| ロストモーション | 0.05mm 【0.02mm】以下 |
| ガイド | ベース一体型 |
| ベース | 材質:アルミ 白色アルマイト処理 |
| X軸モーター出力/リード | 100W/10mm |
| Y軸モーター出力/リード | 60W/8mm |
| Z軸モーター出力/リード | 60W/16mm(H)、8mm(M)、4mm(L) |
XY組合わせ方向

型式内容
| XY組合わせ 方向 (注1) | Z軸速度 タイプ (注2) | 型式 |
|---|---|---|
| 1 | H | ICSB3【ICSPB3】-BB1MB1H-①-②③-④⑤-⑥⑦-T□-⑧-⑨ |
| M | ICSB3【ICSPB3】-BB1MB1M-①-②③-④⑤-⑥⑦-T□-⑧-⑨ | |
| L | ICSB3【ICSPB3】-BB1MB1L-①-②③-④⑤-⑥⑦-T□-⑧-⑨ | |
| 2 | H | ICSB3【ICSPB3】-BB2MB1H-①-②③-④⑤-⑥⑦-T□-⑧-⑨ |
| M | ICSB3【ICSPB3】-BB2MB1M-①-②③-④⑤-⑥⑦-T□-⑧-⑨ | |
| L | ICSB3【ICSPB3】-BB2MB1L-①-②③-④⑤-⑥⑦-T□-⑧-⑨ | |
| 3 | H | ICSB3【ICSPB3】-BB3MB1H-①-②③-④⑤-⑥⑦-T□-⑧-⑨ |
| M | ICSB3【ICSPB3】-BB3MB1M-①-②③-④⑤-⑥⑦-T□-⑧-⑨ | |
| L | ICSB3【ICSPB3】-BB3MB1L-①-②③-④⑤-⑥⑦-T□-⑧-⑨ | |
| 4 | H | ICSB3【ICSPB3】-BB4MB1H-①-②③-④⑤-⑥⑦-T□-⑧-⑨ |
| M | ICSB3【ICSPB3】-BB4MB1M-①-②③-④⑤-⑥⑦-T□-⑧-⑨ | |
| L | ICSB3【ICSPB3】-BB4MB1L-①-②③-④⑤-⑥⑦-T□-⑧-⑨ |
(注1) XY組合わせ方向は下図を参照ください。上記型式の①~⑨の内容は下表をご参照ください。
(注2) Z軸のタイプによって可搬質量と最高速度が変化します。
型式内記号説明
| 番号 | 内容 | 表記 |
|---|---|---|
| ① | エンコーダー種類 | WA:バッテリーレスアブソ |
| ② | X軸ストローク(注3) | 10:100mm ~ 110:1100mm (100:1000mm) |
| ③ | X軸オプション | オプション表参照 |
| ④ | Y軸ストローク | 10:100mm ~ 40:400mm |
| ⑤ | Y軸オプション | オプション表参照 |
| ⑥ | Z軸ストローク | 10:100mm ~ 30:300mm |
| ⑦ | Z軸オプション | オプション表参照 |
| ⑧ | ケーブル長 | 3L:3m 5L:5m □L:□m |
| ⑨ | Y軸-Z軸ケーブル配線 | SC-SC:自立ケーブル-自立ケーブル CT-CT:ケーブルキャリア-ケーブルキャリア |
(注3) 自立ケーブル仕様はX軸の最大ストロークが1000mmになります。
構成軸
| 軸名称 | 型式 | 参照頁 |
|---|---|---|
| X軸 | ISB【ISPB】-MXM-①-100-10-②-T□-⑪-③ | 3-403 |
| Y軸 | ISB【ISPB】-SXM-①-60-8-④-T□-⑪-⑤ | 3-387 |
| Z軸 | ISB【ISPB】-SXM-①-60-⑩-⑥-T□-⑪-⑦ | 3-387 |
(注) 上記型式の①~⑦は型式内記号をご参照ください。なお、ストロークはmm(ミリメートル)表記となります。
(注) 上記型式の⑩にはリードが入ります。
16:Z軸速度タイプHの場合
8:Z軸速度タイプMの場合
4:Z軸速度タイプLの場合
(注) 上記型式の⑪には、ケーブル取出し方向が入ります。取出し方向は5-575ページをご参照ください。






